功率放大電路是一種以輸出較大功率為目的的放大電路。它一般直接驅動負載,帶載能力要強。功率放大電路通常作為多級放大電路的輸出級。
在很多電子設備中,要求放大電路的輸出級能夠帶動某種負載,例如驅動儀表,使指針偏轉;驅動揚聲器,使之發聲;或驅動自動控制系統中的執行機構等。總之,要求放大電路有足夠大的輸出功率。這樣的放大電路統稱為功率放大電路。
功率放大電路的基本原則
輸出功率大
要求輸出功率盡可能大為了獲得大的功率輸出,要求功放管的電壓和電流都有足夠大的輸出幅度,因此管子往往在接近極限運用狀態下工作。
效率要高
效率要高由于輸出功率大,因此直流電源消耗的功率也大,這就存在一個效率問題。所謂效率就是負載得到的有用信號功率和電源供給的直流功率的比值。這個比值越大,意味著效率越高。
非線性失真要小
非線性失真要求功率放大電路是在大信號下工作,所以不可避免地會產生非線性失真,而且同一功放管輸出功率越大,非線性失真往往越嚴重,這就使輸出功率和非線性失真成為一對主要矛盾。但是,在不同場合下,對非線性失真的要求不同,例如,在測量系統和電聲設備中,這個問題顯得重要,而在工業控制系統等場合中,則以輸出功率為主要目的,對非線性失真的要求就降為次要問題了。
散熱少
BJT的散熱問題在功率放大電路中,有相當大的功率消耗在管子的集電結上,使結溫和管殼溫度升高。為了充分利用允許的管耗而使管子輸出足夠大的功率,放大器件的散熱就成為一個重要問題。
參數選擇
在功率放大電路中,為了輸出較大的信號功率,管子承受的電壓要高,通過的電流要大,功率管損壞的可能性也就比較大,所以功率管的參數選擇與保護問題也不容忽視。
分析任務
功率放大電路的分析任務是:最大輸出功率、最高效率及功率三極管的安全工作參數。在分析方法上,由于管子處于大信號下工作,故通常采用圖解法。
功率放大電路用途詳解
下面我們介紹幾種常見的功率放大電路:
(一)功率放大電路-低頻電壓放大器
低頻電壓放大器是指工作頻率在 20 赫~ 20 千赫之間、輸出要求有一定電壓值而不要求很強的電流的放大器。
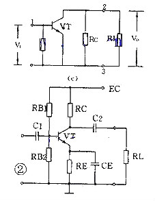
(1)共發射極放大電路
圖1(a)是共發射極放大電路。C1是輸入電容, C2是輸出電容,三極管VT就是起放大作用的器件,RB是基極偏置電阻 ,RC是集電極負載電阻。 1 、 3 端是輸入, 2 、 3 端是輸出。3端是公共點,通常是接地的,也稱“地”端。靜態時的直流通路見圖 1(b),動態時交流通路見圖1(c)。電路的特點是電壓放大倍數從十幾到一百多,輸出電壓的相位和輸入電壓是相反的,性能不夠穩定,可用于一般場合。

(2)分壓式偏置共發射極放大電路
圖2比圖1多用3個元件。基極電壓是由RB1和RB2分壓取得的,所以稱為分壓偏置。發射極中增加電阻RE和電容 CE ,CE稱交流旁路電容,對交流是短路的; RE 則有直流負反饋作用。所謂反饋是指把輸出的變化通過某種方式送到輸入端,作為輸入的一部分。如果送回部分和原來的輸入部分是相減的,就是負反饋。圖中基極真正的輸入電壓是 RB2 上電壓和 RE 上電壓的差值,所以是負反饋。由于采取了上面兩個措施,使電路工作穩定性能提高,是應用最廣的放大電路。

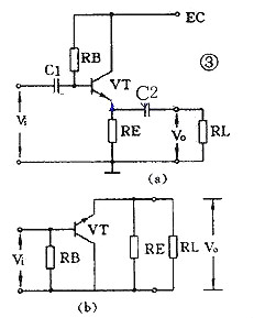
(3)射極輸出器
圖3(a)是一個射極輸出器。它的輸出電壓是從射極輸出的。圖3(b)是它的交流通路圖,可以看到它是共集電極放大電路。

這個圖中,晶體管真正的輸入是Vi和Vo的差值,所以這是一個交流負反饋很深的電路。由于很深的負反饋,這個電路的特點是:電壓放大倍數小于1而接近1,輸出電壓和輸入電壓同相,輸入阻抗高輸出阻抗低,失真小,頻帶寬,工作穩定。它經常被用作放大器的輸入級、輸出級或作阻抗匹配之用。
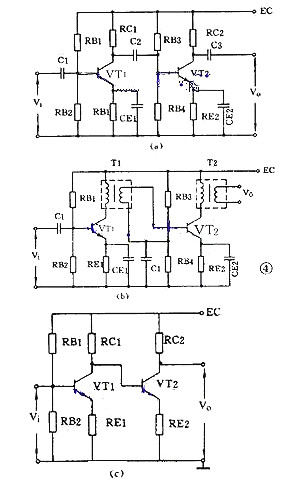
(4)低頻放大器的耦合
一個放大器通常有好幾級,級與級之間的聯系就稱為耦合。放大器的級間耦合方式有三種: ①RC 耦合,見圖4(a)。優點是簡單、成本低。但性能不是最佳。 ②變壓器耦合,見圖 4(b)。優點是阻抗匹配好、輸出功率和效率高,但變壓器制作比較麻煩。 ③直接耦合,見圖4(c)。優點是頻帶寬,可作直流放大器使用,但前后級工作有牽制,穩定性差,設計制作較麻煩。
(二)功率放大電路-功率放大器

能把輸入信號放大并向負載提供足夠大的功率的放大器叫功率放大器。例如收音機的末級放大器就是功率放大器。
(1)甲類單管功率放大器

圖5是單管功率放大器, C1是輸入電容,T是輸出變壓器。它的集電極負載電阻 Ri′ 是將負載電阻RL通過變壓器匝數比折算過來的:
RC′= ( N1 N2 )2 RL=N2RL
負載電阻是低阻抗的揚聲器,用變壓器可以起阻抗變換作用,使負載得到較大的功率。
這個電路不管有沒有輸入信號,晶體管始終處于導通狀,靜態電流比較大,困此集電極損耗較大,效率不高,大約只有 35 %。這種工作狀態被稱為甲類工作狀態。這種電路一般用在功率不太大的場合,它的輸入方式可以是變壓器耦合也可以是RC耦合。
(2)乙類推挽功率放大器
圖6是常用的乙類推挽功率放大電路。它由兩個特性相同的晶體管組成對稱電路,在沒有輸入信號時,每個管子都處于截止狀態,靜態電流幾乎是零,只有在有信號輸入時管子才導通,這種狀態稱為乙類工作狀態。當輸入信號是正弦波時,正半周時 VT1 導通 VT2 截止,負半周時 VT2 導通 VT1 截止。兩個管子交替出現的電流在輸出變壓器中合成,使負載上得到純正的正弦波。這種兩管交替工作的形式叫做推挽電路。

乙類推挽放大器的輸出功率較大,失真也小,效率也較高,一般可達60%。
(3)OTL功率放大器
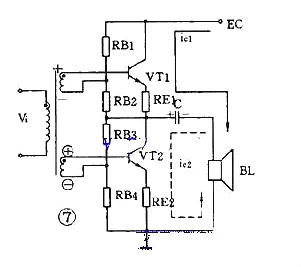
目前廣泛應用的無變壓器乙類推挽放大器,簡稱OTL電路,是一種性能很好的功率放大器。為了
易于說明,先介紹一個有輸入變壓器沒有輸出變壓器的OTL電路,如圖7 。

這個電路使用兩個特性相同的晶體管,兩組偏置電阻和發射極電阻的阻值也相同。在靜態時,VT1、VT2流過的電流很小,電容C上充有對地為12Ec的直流電壓。在有輸入信號時,正半周時VT1導通, VT2截止,集電極電流ic1方向如圖所示,負載RL上得到放大了的正半周輸出信號。負半周時 VT1 截止, VT2 導通,集電極電流ic2的方向如圖所示, RL上得到放大了的負半周輸出信號。這個電路的關鍵元件是電容器C,它上面的電壓就相當于 VT2 的供電電壓。
以這個電路為基礎,還有用三極管倒相的不用輸入變壓器的真正OTL電路,用PNP管和NPN 管組成的互補對稱式OTL電路,以及最新的橋接推挽功率放大器,簡稱BTL電路等等。
(三)功率放大電路-直流放大器
能夠放大直流信號或變化很緩慢的信號的電路稱為直流放大電路或直流放大器。測量和控制方面常用到這種放大器。
( 1 )雙管直耦放大器
直流放大器不能用 RC 耦合或變壓器耦合,只能用直接耦合方式。圖 8 是一個兩級直耦放大器。直耦方式會帶來前后級工作點的相互牽制,電路中在 VT2 的發射極加電阻 R E 以提高后級發射極電位來解決前后級的牽制。
直流放大器的另一個更重要的問題是零點漂移。所謂零點漂移是指放大器在沒有輸入信號時,由于工作點不穩定引起靜態電位緩慢地變化,這種變化被逐級放大,使輸出端產生虛假信號。放大器級數越多,零點漂移越嚴重。所以這種雙管直耦放大器只能用于要求不高的場合。

( 2 )差分放大器
解決零點漂移的辦法是采用差分放大器,圖9是應用較廣的射極耦合差分放大器。它使用雙電源,其中VT1和VT2的特性相同,兩組電阻數值也相同,RE有負反饋作用。實際上這是一個橋形電路,兩個R C和兩個管子是四個橋臂,輸出電壓V0從電橋的對角線上取出。沒有輸入信號時,因為 RC1=RC2 和兩管特性相同,所以電橋是平衡的,輸出是零。由于是接成橋形,零點漂移也很小。

差分放大器有良好的穩定性,因此得到廣泛的應用。
(四)功率放大電路-集成運算放大器
集成運算放大器是一種把多級直流放大器做在一個集成片上,只要在外部接少量元件就能完成各種功能的器件。因為它早期是用在模擬計算機中做加法器、乘法器用的,所以叫做運算放大器。它有十多個引腳,一般都用有3個端子的三角形符號表示,如圖10 。它有兩個輸入端、 1 個輸出端,上面那個輸入端叫做反相輸入端,用“ — ”作標記;下面的叫同相輸入端,用“+”作標記。

集成運算放大器可以完成加、減、乘、除、微分、積分等多種模擬運算,也可以接成交流或直流放大器應用。在作放大器應用時有:
(1)帶調零的同相輸出放大電路
圖11是帶調零端的同相輸出運放電路。引腳 1 、11 、12是調零端,調整RP可使輸出端(8)在靜態時輸出電壓為零。9 、 6兩腳分別接正、負電源。輸入信號接到同相輸入端(5),因此輸出信號和輸入信號同相。放大器負反饋經反饋電阻 R2 接到反相輸入端(4)。同相輸入接法的電壓放大倍數總是大于1的。

( 2 )反相輸出運放電路
也可以使輸入信號從反相輸入端接入,如圖12 。如對電路要求不高,可以不用調零,這時可以把 3 個調零端短路。

輸入信號從耦合電容C1經R1接入反相輸入端,而同相輸入端通過電阻R3接地。反相輸入接法的電壓放大倍數可以大于1 、等于1或小于1 。
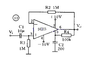
( 3 )同相輸出高輸入阻抗運放電路
圖13中沒有接入 R1 ,相當于 R1 阻值無窮大,這時電路的電壓放大倍數等于 1 ,輸入阻抗可達幾百千歐。

放大電路讀圖要點和舉例
放大電路是電子電路中變化較多和較復雜的電路。在拿到一張放大電路圖時,首先要把它逐級分解開,然后一級一級分析弄懂它的原理,最后再全面綜合。
圖14是一個助聽器電路,實際上是一個4級低頻放大器。VT1、VT2之間和VT3、VT4之間采用直接耦合方式,VT和VT3之間則用RC耦合。為了改善音質,VT1和VT3的本級有并聯電壓負反饋(R2和R7)。由于使用高阻抗的耳機,所以可以把耳機直接接在VT4的集電極回路內。R6、C2是去耦電路,C6是電源濾波電容。

功率放大電路的工作狀態
甲類:在放大電路中,當輸入信號為正弦波時,若晶體管在信號的整個周期內均導通(即導通角θ=360°),則稱之工作在甲類狀態;
乙類:若晶體管僅在信號的正半周或負半周導通(即θ=180°),則稱之工作在乙類狀態;
甲乙類:若晶體管的導通時間大于半個周期且小于一個周期(即θ=180°~360°之間),則稱之工作在甲乙類狀態;
丙類:若晶體管僅有小于半個周期的導通時間(即θ=0°~180°),則稱之工作在丙類狀態。功率放大電路知識-功率放大電路圖與用途詳解
烜芯微專業制造二極管,三極管,MOS管,橋堆等20年,工廠直銷省20%,1500家電路電器生產企業選用,專業的工程師幫您穩定好每一批產品,如果您有遇到什么需要幫助解決的,可以點擊右邊的工程師,或者點擊銷售經理給您精準的報價以及產品介紹

