運算放大器是具有很高放大倍數的電路單元。在實際電路中,通常結合反饋網絡共同組成某種功能模塊。而比較器是能夠實現對兩個或多個數據項進行比較,以確定它們是否相等,或確定它們之間的大小關系及排列順序的電路或裝置。雖然這兩者比較相似,并且原理圖符號也差不多,如圖1所示,但是還是有一定的區別的。

圖1.運算放大器和比較器原理圖符號
從圖1可以看出,除了一些引腳數差異外,兩者都有兩個電源引腳,都有同相(+)和反相(-)輸入,并且都有輸出。兩者都可以通過交換兩個輸入的相對位置來繪制。原理示意圖如圖2和圖3所示。

圖2 運算放大器原理圖示例

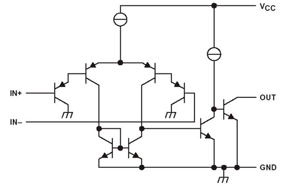
圖3 比較器原理圖示例
除了輸入標記相反之外,輸入級看起來相同。但是運放的輸出級有點復雜,與比較器的輸出級明顯不同,因為它是單開集電極。要注意的是,現在許多較新的比較器具有雙極級,其外觀與運算放大器輸出級非常相似。不同之處在于輸出級。運算放大器的輸出級針對線性操作進行了優化,而比較器的輸出級則針對飽和操作進行了優化。
1.數字和模擬輸出
比較器輸出是集電極開路,運算放大器輸出是互補的NPN-PNP對。這已經指出了兩者之間最大的區別——其中一個用于提供數字輸出,另一個用于提供模擬輸出。
由于比較器本質上是一個 1 位模數轉換器,因此數字輸出設計為與各種邏輯系列接口,每個系列具有不同的高低閾值。集電極開路輸出可以是更復雜的電平轉換電路的一部分,以確保將數字輸入驅動到正確的電平。另一個數字技巧是“線或”多個輸出——將它們連接到一個上拉電阻,當任何一個比較器的輸出為低時,整體輸出也為低。這在故障檢測和窗口比較器中很有用,其中多個比較器的輸出連接在一起。這對于互補輸出級是不可能的。另一個幽默軼事是,雖然運算放大器可以用作比較器,但比較器不能用作運算放大器- 輸出級根本沒有設計為在電源軌之間的電壓下工作。
然而,運算放大器的輸出更為復雜,因為它旨在以極低的失真準確復制模擬信號。
另一點需要注意的是,運算放大器的輸出晶體管不是功率晶體管,因此不會像比較器一樣在其中一個軌上飽和運行。為了保持輸出飽和,運算放大器可能會消耗比正常情況更多的電流,這會導致發熱。由于基極中的存儲電荷,驅動輸出晶體管脫離飽和也可能需要更多時間。
然而,比較器輸出設計為完全飽和到軌,有時甚至具有抗飽和電路。這聽起來可能有悖常理,但對于基極-發射極電容相當大的功率晶體管來說,擺脫飽和可能需要一些時間。出于這個原因,一些比較器的特點是在輸出晶體管接近飽和的情況下運行的電路,因此它們不會花時間擺動到另一個軌道。LM311就是一個很好的例子。
2.補償電容(CC)
運算放大器電路中存在“C C ”。這是在高頻下滾降運算放大器增益的補償電容器。這是對運算放大器的必要補充,其中直流穩定性很重要——輸出不應出現振蕩。這個電容也是運算放大器相對“慢”的主要原因——補償電容限制了輸出壓擺率。這意味著運算放大器需要有限的時間在電源軌之間移動其輸出。這(與飽和問題相結合)會導致用作比較器的運算放大器的響應時間顯著延遲。
另一方面,比較器沒有這樣的限制。任何小的輸入差異都會導致輸出快速快速地擺動到電源軌,這在速度非常受重視的數字系統中是一件好事。
3.反向輸入引腳
運算放大器和比較器電路上的反相和非反相輸入是反向的(相對于充當輸入晶體管有源負載的電流鏡)。這是因為比較器被設計為在開環配置(或具有正反饋)下保持穩定,而運算放大器被設計為具有某種形式的負反饋。
4.輸入和輸出限制
運算放大器和比較器內部電路的差異代表了“微觀”的差異。還有其他“宏觀”差異以每種類型的設備額定處理的輸入電壓范圍的形式表現出來。這與運算放大器和比較器設計使用的反饋類型有很大關系。
對于可以開環或正反饋工作的比較器,如果其中一個輸入高于或低于另一個,則輸出必須通過在其中一個軌上飽和(代表數字 0 或 1)來快速響應。另一方面,設計用于外部負反饋網絡的運算放大器試圖通過改變輸出并希望外部網絡將輸入差分為零來保持兩個輸入相同。
顯而易見的結論是,比較器的輸入共模(和差分)電壓范圍比運算放大器大得多。
在接近電源軌的電壓下尤其如此,幾乎所有運算放大器的輸入(和輸出)都在幾伏或更多的電源軌范圍內運行(存在軌到軌輸入和輸出運算放大器,但它們有自己的問題),任何超出這些限制的偏移通常都會導致不良行為,如:
(1)較舊的運算放大器類型存在一個稱為“反相”的問題,即驅動輸入超出共模范圍會導致輸出反相——基本上是使輸出反相。
(2)輸入失調和輸入偏置電流在輸入電壓范圍內不是恒定的。這是一個很明顯的問題,尤其是在 RRIO 運算放大器中。輸入過壓有時會激活保護鉗位二極管,將電流分流到任一電源軌。一些運算放大器甚至在兩個輸入端都有一對反并聯二極管, 任何大的差異都會立即被視為輸入阻抗的降低。這可能是也可能不是問題,具體取決于輸入。在線性模式下使用時,這些二極管不是問題,因為負反饋會嘗試將輸入差分保持為零。但是,當在輸入電壓擺幅較大的情況下開環使用時,這些二極管會導通,從而降低輸入阻抗并導致過熱并最終損壞芯片。
小結
以上就是運算放大器與比較器的差別介紹了,雖然運算放大器和比較器可能看起來相似,但它們是不同,并且設計用于不同的應用,因為運算放大器可以用作比較器,電壓比較器不能用作運算放大器,因為其非線性輸出級。
電話:18923864027(同微信)
QQ:709211280
〈烜芯微/XXW〉專業制造二極管,三極管,MOS管,橋堆等,20年,工廠直銷省20%,上萬家電路電器生產企業選用,專業的工程師幫您穩定好每一批產品,如果您有遇到什么需要幫助解決的,可以直接聯系下方的聯系號碼或加QQ/微信,由我們的銷售經理給您精準的報價以及產品介紹

