光電耦合器(以下簡稱光耦)是一種發光器件和光敏器件組成的光電器件。它能實現電—光—電信號的變換,并且輸入信號與輸出信號是隔離的。目前極大多數的光耦輸入部分采用砷化鎵紅外發光二極管,輸出部分采用硅光電二極管、硅光電三極管及光觸發可控硅。這是因為峰值波長900~940nm的砷化鎵紅外發光二極管能與硅光電器件的響應峰值波長相吻合,可獲得較高的信號傳輸效率。
光耦的結構
光耦的內部結構(剖面)如圖1所示。光耦輸入部分大都是紅外發光二極管,輸出部分有不同的光敏器件,如圖2所示。


這里要說明的是,圖2(c)的輸入部分有兩個背對背的紅外發光二極管,它用于交流輸入的場合;圖2(d)采用達林頓輸出結構,它可使輸出獲得較大的電流;圖2(e)、2(f)的輸出由光觸發雙向可控硅組成,它們主要用來驅動交流負載。圖2(e)與圖2(f)的差別是圖2(f)有過零觸發控制(圖中的“ZC”即“過零”的意思),而圖2(e)沒有過零觸發控制電路。


基本電路
光耦的基本電路如圖3所示。圖3(a)的負載電阻RL接在發射極及地之間,圖3(b)的負載電阻RL接在電源Vdd與集電極之間。
在圖3(a)中,輸入端加上Vcc電壓,經限流電阻Rin后,有一定的電流IF流經紅外發光二極管,IF與Vcc、發光二極管的正向壓降VF及Rin的關系為:IF=(Vcc-VF)/Rin。式中的VF取1.3V。IF的最大值由資料給出(一般工作時IF≤10mA)。


發光二極管發光后,光電三極管導通,集電極電流Ic由Vdd經光電三極管流過RL到地,使輸出電壓Vout=Ic×RL(或Vout=Vdd-VCE,VCE為光電三極管的管壓降)。
圖3(b)的工作原理與圖3(a)相同,不再重復。圖3中輸入、輸出也可用各自的地。
從圖3(a)可以看出;輸入端不加Vcc電壓,輸出端Vout=0V,輸入端加了Vcc電壓,負載得電,這個功能相當于“繼電器”。如果在輸入端加幅值為5V的脈沖(如圖4所示),輸出端Vdd=12V,RL=10kΩ,則輸出的脈沖幅值接近12V,從這功一能來看,相當于“變壓器”;若輸入電壓從0躍變到+5V,輸出則從0躍變到接近12V,它又可用作電平轉換。


特點及應用范圍
光耦的主要特點:輸入與輸出之間絕緣(絕緣電壓可達數千伏);信號傳輸為單方向,輸出信號不會對輸入信號有影響;能傳輸模擬信號也可傳輸數字信號;抗干擾能力強;體積小、壽命長;由于無觸頭,因此抗振性強。近年來由于生產工藝改進,SMT的發展,開發出性能更好、尺寸更小的貼片式光耦,它由DIP6管腳封裝改進成4管腳封裝,不僅改小尺寸,并且減小了干擾,如圖5所示,但有一些公司其管腳仍按6管腳排列,如圖2所示。頂面有圓圈者為第1管腳,如圖6所示。


由于該類器件有上述特點,它主要應用于隔離電路、開關電路、邏輯電路、信號長線傳輸、線性放大電路、隔離反饋電路、控制電路及電平轉換電路等。
光耦主要參數
本文介紹的一些常用的貼片式光耦及其主要參數。主要參數如表1及表2所示。



這里要說明一下電流傳輸比(CTR)這個參數的意義。CTR是CurrentTransferRatio的縮寫。它是在一定工作條件下(IF及VCE),光耦的輸出電流Ic與輸入電流IF的比值,一般用百分比表示,其值低的從幾到幾十,高的從幾十到幾百,達林頓輸出型可達上千。CTR大,則在同樣的IF下,輸出電流Ic大,驅動負載的能力也強(或者說IF較小可獲得大的Ic)。
這里順便指出,當用光電耦合器作交流信號傳輸時,必須考慮它的頻率特性。采用GaAs發光二極管及硅光電三極管的光耦,其最高工作頻率約為500kHz;其響應時間小于10μs。
在使用時要注意的紅外發光二極管的反壓VR一般是很低的,有的VR僅3V。因此在使用時輸入端不能接反,防止紅外發光二極管因反壓過高而擊穿(可在1腳、3腳接一個反向二極管來保護,如圖4所示)。
光耦的簡易測量方法
光電三極管輸出的光耦是應用最廣泛的,若頂面印刷字跡或圓點看不清楚,可采用指針式三用表來測量,確認哪個管腳是1腳,并且也可簡易測出光耦的好壞。
由于它是一個二極管及一個三極管c、e極組成的,所以用R×1k擋來測量是十分方便的。只要測出一個二極管:黑表筆接二極管的陽極,紅表筆接二極管的陰極,其阻值約30kΩ,則黑表筆端即1腳。如圖7所示,其它三種測量都應是R=∞(表筆不動)。若光電三極管的測量電阻不是∞,則此光耦不能用。


應用電路
各種不同結構的光耦可滿足輸入、輸出隔離;輸入與輸出共地或不共地;輸入、輸出是直流或交流,使用極為靈活,因此應用極為廣泛,這里介紹一些典型應用電路。
1.隔離線性放大器電路
如果將輸入的交流信號調制成與信號電壓成比例的調制電流,則經光耦后再經放大可實現隔離線性放大,電路如圖1所示。
+5V電壓及限流電阻(R1及RP)給發光二極管一個偏置電流IFO(一般IFO取得大一點,約10mA),交流信號電壓經C1、R2后加在發光二極管上,疊加在IFO上形成調制電流。經光耦后輸出調制的光電流,在R3上產生一個與輸入電壓成比例的調制電壓,此電壓經C2隔直,交流成分則經放大器放大輸出。
這里要指出的是經光耦的電-光及光-電轉換,線性度不是很高。為了減小失真,偏置的電流IFO要大,信號電壓產生的調制電流的峰值電流不超過5mA,可使輸出電壓失真較小。這種光電隔離放大器比隔離放大器要便宜得多。另外,光電三極管的地用表示(說明與輸入電壓不共地)。
采用PS2701有較好的線性度,輸入信號的頻率可在音頻范圍。


2.市電監測電路
圖2是一種市電監測電路,當停電時報警。采用TLP126光耦經限流電阻直接與市電220V連接,使光耦的發光二極管發光,光電三極管導通,使10kΩ電阻上的電壓接近Vdd(光電三極管的飽和管壓降小于0.5V),外接功率MOSFET(VT)的-VGS<1V,則VT截止,報警電路不工作。3.3μF電容是用來穩定VT柵極的電壓,防止交流電壓過零使柵極電壓變化太大而產生誤動作。


市電停電時,發光二極管無電流,光電三極管截止,VT的-VGS=9V,VT導通,報警電路工作。
Si9400是P溝道功率MOSFET,其主要參數是VDS=-20V,在VGS=-10V時RDS(ON)=0.25Ω,ID=±2.5A。8管腳SO封裝,管腳排列如圖3所示,使用時,四個D要焊在一起,兩個S要焊在一起以便于散熱。


3.防盜報警器電路
一種用抽屜被撬防盜報警器電路如圖4所示。它由光遮斷器、遮斷片及有關電路組成。光遮斷器是一種光電傳感器,它由紅外發光二極管及光電三極管及黑色塑料外殼組成,其剖面如圖4左邊所示,其外形如圖4右邊所示。


其工作原理與光耦完全相同,區別僅僅是它由遮斷片來阻擋光路使光電三極管截止;當遮斷片后移,發光二極管的紅外光照到光電三極管,光電三極管導通。
光遮斷器安裝在抽屜的底部,遮斷片裝在抽屜上,如圖5所示。要使防盜報警器工作,接通Vcc(+5V)及Vdd(+9V)。抽屜未被撬時,遮斷片遮住光路,光電三極管截止,VT無ID,VT也截止,光耦(TLP169G)的發光二極管無電流,光觸發雙向可控硅截止,報警電路不工作。


當小偷撬開抽屜,拉出抽屜時,遮斷片退后,光遮斷器光路通,光電三極管導通,VT相繼導通,光耦中的發光二極管工作,光觸發雙向可控硅導通,報警器電路工作。
這個電路的特點是,一旦報警器工作,即使將抽屜關上,遮光片遮斷光路,但雙向可控仍然導通,報警電路仍一直報警,即使小偷發現光遮斷器,將它破壞,但報警電路還工作。按一下開關K斷開Vdd才能使報警電路不工作。
這里VCC的地與Vdd的地不共地,圖中用兩種地的符號表示。
由于光遮斷器有多種型號,要求發光二極管的工作電流IF各不相同,必要時要調整R1的大小,使其滿足IF的要求。
TLP160G的輸出部分光觸可控硅的最大工作電流在25℃時可達100mA(隨著溫度增加而減小)。若報警電路工作電流大于80mA,最好外接VT2,如圖6所示。


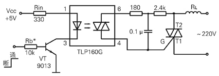
4.交流固態繼電器電路
TLP160G光耦用得最廣的是用作交流固態繼電器。它可以與外接雙向可控硅作簡單連接來驅動市電供電的各種負載。其電路如圖7所示。輸入三極管VT的基極的控制信號為高電平時,VT導通,紅外發光二極管也導通(VCC經RIN、紅外發光二極管、經VT的C、E極到地),光觸發雙向可控硅導通;這使外接功率較大的三端雙向可控硅導通,負載RL得電。其工作原理相當于圖8中的控制開關:K閉合,雙向可控硅導通;K斷開,雙向可控硅截止。



如果將虛線框內的電路做成一個單獨的模塊,它就是一個交流固態繼電器。圖7的電路適合于電阻性負載,若是電感性負載,電路中增加一個RC,如圖9所示。

這種交流固態繼電器有一個缺點,它的雙向可控硅不是在交流電過零時觸發導通,其結果是正弦波不完整,這瞬間會產生對電網的干擾。外接三端雙向可控硅耐壓要大于400V,工作電流應大于負載最大電流。
5.過零觸發交流固態繼電器電路
采用內部有交流電過零時觸發電路(圖10中的“ZC”部分)的ILP161G光耦,可以做成過零觸發交流固態繼電器電路,如圖10所示。它能在交流電過零附近觸發雙向可控硅,使交流波形完整,不會造成對電網的干擾。其工作原理與圖9相同。圖中的39Ω及0.01μFRC電路是一種浪涌電壓吸收回路,它用來保護雙向可控硅免于瞬態的過壓而損壞。外接的三端雙向可控硅選擇方法與圖9電路相同。

〈烜芯微/XXW〉專業制造二極管,三極管,MOS管,橋堆等,20年,工廠直銷省20%,上萬家電路電器生產企業選用,專業的工程師幫您穩定好每一批產品,如果您有遇到什么需要幫助解決的,可以直接聯系下方的聯系號碼或加QQ/微信,由我們的銷售經理給您精準的報價以及產品介紹

〈烜芯微/XXW〉專業制造二極管,三極管,MOS管,橋堆等,20年,工廠直銷省20%,上萬家電路電器生產企業選用,專業的工程師幫您穩定好每一批產品,如果您有遇到什么需要幫助解決的,可以直接聯系下方的聯系號碼或加QQ/微信,由我們的銷售經理給您精準的報價以及產品介紹

