555集成電路控制方式比較簡單,使用可靠、壽命長,是一種價格低、體積小、便于自制的光電控制開關電路??捎糜诠I生產和家用電器等的控制。
555集成電路從開始是作定時器應用的,所以又叫555時基電路或555定時器。經過后來不停的開發,功能延伸到了調光,調速,調溫等多種領域。因為其簡單,方便,可靠,所以目前被廣泛用于各種電子產品中。
下面是幾種555常見經典電路圖。

圖1. 1-100分鐘定時器電路

圖2. 用555電路組成的DC-AC定時器

圖3. 555測試電路

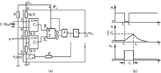
555定時器單穩態觸發器電路
圖(a)所示為用555定時器構成的單穩態觸發器,R、C為外接元件,觸發脈沖u1由2端輸入。5端不用時一般通過0.01uF電容接地,以防干擾。
(1) 穩態
接通電源后,經R給電容C充電,當uc上升到大于時,基本RS觸發器復位,輸出u0=0。同時,晶體管T導通,使電容C放電。此后uc則u0保持0狀態。電路將一直處于這一穩定狀態。
(2) 暫穩態
在t=t1瞬間,2端輸入一個負脈沖,即u1在t=t2時刻,觸發負脈沖消失若ucD=1,/SD=1,基本RS觸發器保持原狀態,u0仍為高電平。
在t=t3時刻,當uc上升略高于時,/RD=0,/SD=1,基本RS觸發器復位,輸出u0=0,回到初始穩態。同時,晶體管T導通,電容C通過T迅速放電直至uc為0。這時/RD=1,/SD=1,電路為下次翻轉做好了準備。
輸出脈沖寬度tp為暫穩態的持續時間,即電容C的電壓從0充至所需的時間。
〈烜芯微/XXW〉專業制造二極管,三極管,MOS管,橋堆等,20年,工廠直銷省20%,上萬家電路電器生產企業選用,專業的工程師幫您穩定好每一批產品,如果您有遇到什么需要幫助解決的,可以直接聯系下方的聯系號碼或加QQ/微信,由我們的銷售經理給您精準的報價以及產品介紹
聯系號碼:18923864027(同微信)
QQ:709211280

