原理圖就是表示電路板上各器件之間連接原理的圖表。原理圖的實質就是電路板的模擬電路設計圖,反應的是電路板上各個元器件之間的物理接線關系、電子元器件的電氣特性等。
下圖是一些經典常用的電路電氣原理圖,電子行業工作者必備收藏!
電機正反轉控制電路原理圖


可控硅調速電路原理圖


單相漏電開關電路原理圖


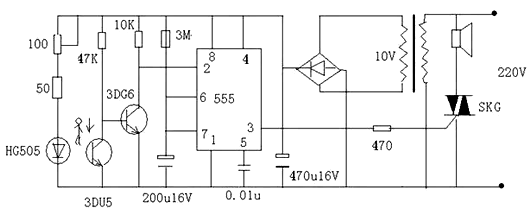
紅外防盜報警器電路原理圖


三相異步電動機正反轉控制電路原理圖


三相異步電動機的時間控制電路原理圖(延時控制電路)


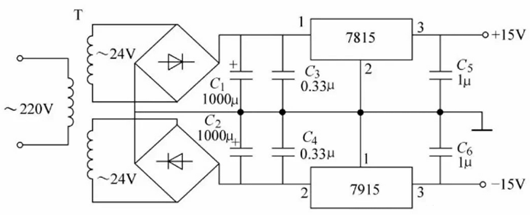
正、負直流穩壓電源電路原理圖


雙重互鎖控制電路原理圖

〈烜芯微/XXW〉專業制造二極管,三極管,MOS管,橋堆等,20年,工廠直銷省20%,上萬家電路電器生產企業選用,專業的工程師幫您穩定好每一批產品,如果您有遇到什么需要幫助解決的,可以直接聯系下方的聯系號碼或加QQ/微信,由我們的銷售經理給您精準的報價以及產品介紹

〈烜芯微/XXW〉專業制造二極管,三極管,MOS管,橋堆等,20年,工廠直銷省20%,上萬家電路電器生產企業選用,專業的工程師幫您穩定好每一批產品,如果您有遇到什么需要幫助解決的,可以直接聯系下方的聯系號碼或加QQ/微信,由我們的銷售經理給您精準的報價以及產品介紹
聯系號碼:18923864027(同微信)
QQ:709211280

